○高崎市自転車等の放置防止に関する条例施行規則
平成3年12月20日
規則第41号
(趣旨)
第1条 この規則は、高崎市自転車等の放置防止に関する条例(平成3年高崎市条例第25号。以下「条例」という。)の施行に関し必要な事項を定めるものとする。
(定義)
第2条 この規則で使用する用語の意義は、条例で使用する用語の例による。
(放置禁止区域の指定及び告示等)
第3条 条例第9条第1項に規定する自転車等放置禁止区域は、次のとおりとする。
2 条例第9条第3項に規定する告示は、次に掲げる事項とする。
(1) 放置禁止区域の指定年月日
(2) 放置禁止区域の指定範囲及び図面
(3) その他市長が必要と認める事項
(平6規則40・平12規則11・平19規則51・一部改正)
(1) 放置禁止区域の指定の変更又は廃止の年月日
(2) 放置禁止区域の指定の変更又は廃止の範囲及び図面
(3) その他市長が必要と認める事項
(平12規則11・一部改正)
3 条例第13条第2項に規定する期間は、警告を行った日から7日間とする。
(撤去及び保管をした自転車等の措置)
第7条 条例第15条第2項に規定する期間は、撤去した旨を告示した日から4月間とする。
2 条例第15条第3項に規定する告示は、次に掲げる事項とする。
(1) 撤去年月日
(2) 撤去した場所
(3) 撤去した自転車等の台数
(4) 保管場所及び保管期間
(5) 連絡先
(1) 利用者等の住所、氏名等の確認調査
(2) 自転車防犯登録の調査
(3) 原動機付自転車標識の所有者調査
(4) 学校許可標識調査
4 市長は、撤去した自転車等を保管したときは、保管台帳(様式第6号)に必要な事項を記録しなければならない。
5 市長は、撤去した自転車等の利用者等が判明したときは、撤去自転車等保管通知書(様式第7号)により通知するものとする。
(平6規則32・平12規則11・令元規則33・一部改正)
(令6規則34・追加)
(撤去及び保管をした自転車等の返還)
第9条 撤去及び保管をした自転車等の返還を受けようとする者は、撤去自転車等返還申請書(様式第8号)を市長に提出し、撤去及び保管に要した費用を納付しなければならない。
2 条例第16条第2項に規定する撤去及び保管に要した費用の額は、次のとおりとする。
(1) 自転車 1台につき1,060円
(2) 原動機付自転車 1台につき1,600円
3 条例第16条第3項に規定する者は、次のとおりとする。
(1) 盗難に係る被害届を提出した利用者等
(2) その他市長が特に必要があると認める者
(平9規則18・令元規則33・一部改正、令6規則34・旧第8条繰下)
(平12規則11・全改、令6規則34・旧第9条繰下)
(1) 百貨店、スーパーマーケット 売場(飲食店部分・サービス業を含む。)、売場間の通路、ショーウインド、ショールーム、サービス施設、承り所、物品加工修理場及びこれらに類するもの
(2) 銀行 銀行室、待合室、ショーウインド及びこれらに類するもの
(3) 遊技場 遊技室、景品交換所及びこれらに類するもの
(令6規則34・旧第10条繰下)
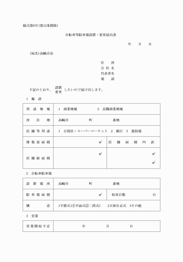
(1) 施設及び自転車等駐車場の案内図
(2) 施設及び自転車等駐車場の配置図
(3) 施設の各階平面図(面積を記載したもの)
(4) 自転車等駐車場平面図
(5) 自転車等駐車場構造図(特殊な装置を用いる自転車等駐車場に限る。)
(平12規則11・一部改正、令6規則34・旧第11条繰下)
(令6規則34・旧第12条繰下)
(令6規則34・旧第13条繰下)
(公表)
第15条 条例第29条に規定する公表は、高崎市公告式条例(昭和25年高崎市告示第67号)第2条第2項に規定する掲示場に掲示するほか、高崎市広報に登載して行うものとする。
(令6規則34・旧第14条繰下)
(令6規則34・旧第15条繰下・一部改正)
(委任)
第17条 この規則に定めるもののほか、必要な事項は、市長が別に定める。
(令6規則34・旧第16条繰下)
附則
この規則は、平成4年4月1日から施行する。ただし、第3条の規定は公布の日から施行する。
附則(平成5年3月23日規則第6号)
この規則は、平成5年4月1日から施行する。ただし、「平成」を削る改正規定は、公布の日から施行する。
附則(平成6年6月20日規則第32号)
1 この規則は、公布の日から施行する。
2 改正後の高崎市自転車等の放置防止に関する条例施行規則第7条第1項、第9条、様式第5号及び様式第7号の規定は、この規則の施行の日以後に撤去した旨の告示をされた自転車等について適用し、この規則の施行の日前に撤去した旨の告示をされた自転車等については、なお従前の例による。
附則(平成6年9月30日規則第40号)
この規則は、公布の日から施行する。
附則(平成9年3月28日規則第18号)
この規則は、平成9年4月1日から施行する。
附則(平成12年3月31日規則第11号)
1 この規則は、平成12年4月1日から施行する。
2 この規則の施行の日以後に撤去した旨の告示をされた自転車等のうち平成12年9月末日までに保管した期間が4月に達するものについては、改正後の第7条の規定にかかわらず、平成12年9月末日まで保管するものとする。
附則(平成15年3月31日規則第24号)
1 この規則は、平成15年4月1日から施行する。
2 この規則の施行の際現に改正前の各規則の規定による様式により作成してある用紙については、適宜補正してこれを使用することができる。
附則(平成17年3月31日規則第27号)
1 この規則は、平成17年4月1日から施行する。
2 この規則の施行の際現にあるこの規則による改正前の様式は、この規則による改正後の様式にかかわらず、当分の間、なおこれを使用することができる。
附則(平成18年9月29日規則第107号)
この規則は、公布の日から施行する。
附則(平成19年9月28日規則第41号)
この規則は、公布の日から施行する。
附則(平成19年12月3日規則第51号)
この規則は、平成20年4月1日から施行する。
附則(平成20年3月27日規則第6号)
この規則は、平成20年4月1日から施行する。
附則(令和元年9月30日規則第33号)
この規則は、令和元年10月1日から施行する。
附則(令和4年3月31日規則第15号)
この規則は、令和4年4月1日から施行する。
附則(令和6年9月30日規則第34号)
この規則は、令和6年10月1日から施行する。
別表第1(第3条関係)
(平19規則51・全改)
高崎駅東口周辺

別表第2(第3条関係)
井野駅東口周辺

別表第3(第3条関係)
井野駅西口周辺

別表第4(第3条関係)
(平19規則51・全改)
高崎駅西口周辺

別表第5(第3条関係)
(平19規則51・追加)
高崎問屋町駅貝沢口

別表第6(第3条関係)
(平19規則51・追加)
高崎問屋町駅問屋口


(平9規則18・令元規則33・一部改正)


(平9規則18・令元規則33・一部改正)

(平6規則32・平9規則18・平12規則11・平15規則24・平18規則107・平19規則41・平20規則6・令元規則33・令6規則34・一部改正)

(令元規則33・全改)

(令6規則34・全改)

(平9規則18・平17規則27・令元規則33・令4規則15・令6規則34・一部改正)

(平5規則6・平17規則27・令6規則34・一部改正)

(平5規則6・平17規則27・令4規則15・令6規則34・一部改正)

(令6規則34・全改)


(令6規則34・全改)


(令6規則34・追加)

